产品中心
AUM系列
无刷无铁芯电机 AUM系列直线电机使用无铁芯技术,使电机在较小体积获得较高的推力,具有力密度较高的优势。
下载附件:
技术参数
  • 产品介绍
  • 规格参数
  • 尺寸图
  • 订购信息

设计特点:

 

A.无铁芯技术

B.无齿槽效应

C.专利技术

D.体积小,高电机常数

E.高连续力与峰值力

 

可选性:可定制


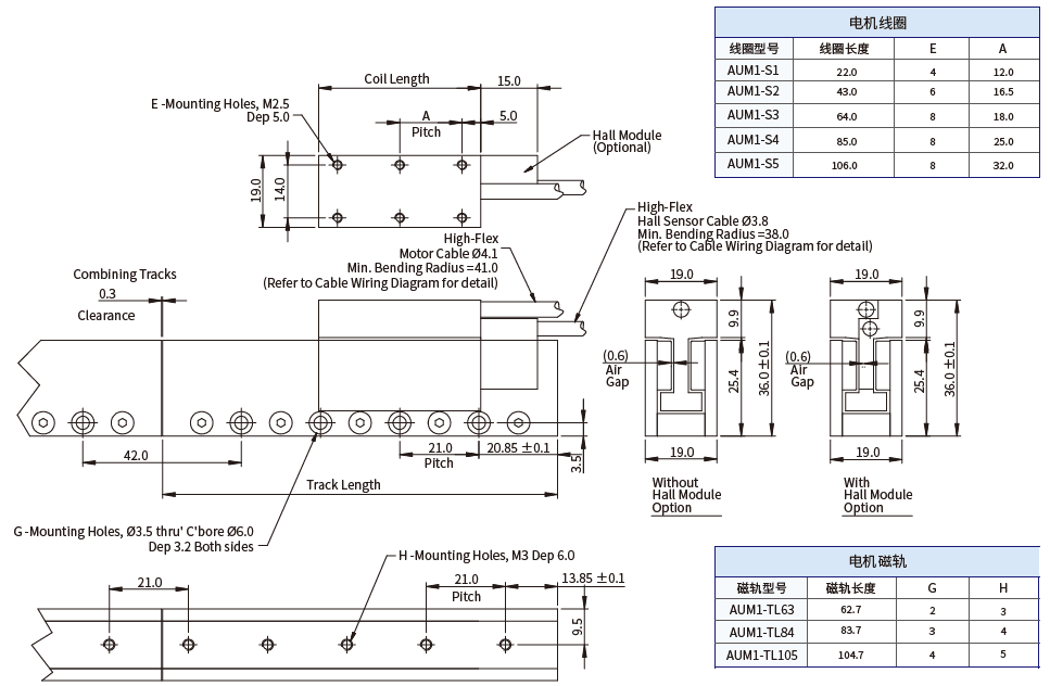
AUM1

电机线圈线圈长度(mm)持续推力(N)峰值推力(N)
AUM1-S122.03.011.9
AUM1-S243.06.023.8
AUM1-S364.08.935.7
AUM1-S485.011.947.6
AUM1-S5106.014.959.5


电机磁轨磁轨长度(mm)
AUM1-TL6362.7
AUM1-TL8483.7
AUM1-TL105104.7

 

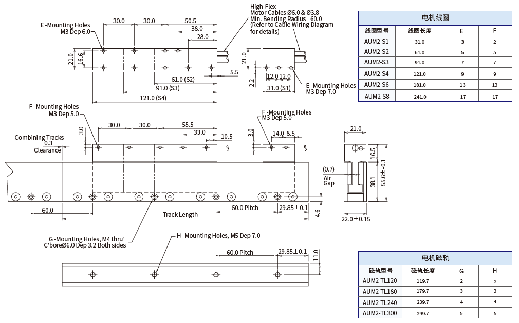
AUM2

电机线圈线圈长度(mm)持续推力(N)峰值推力(N)
AUM2-S131.08.844.0
AUM2-S261.017.688.0
AUM2-S391.026.4132.0
AUM2-S4121.035.2176.0
AUM2-S6181.052.8264.0
AUM2-S8241.070.4352.0

 

电机磁轨磁轨长度(mm)
AUM2-TL120119.7
AUM2-TL180179.7
AUM2-TL240239.7
AUM2-TL300299.7

 

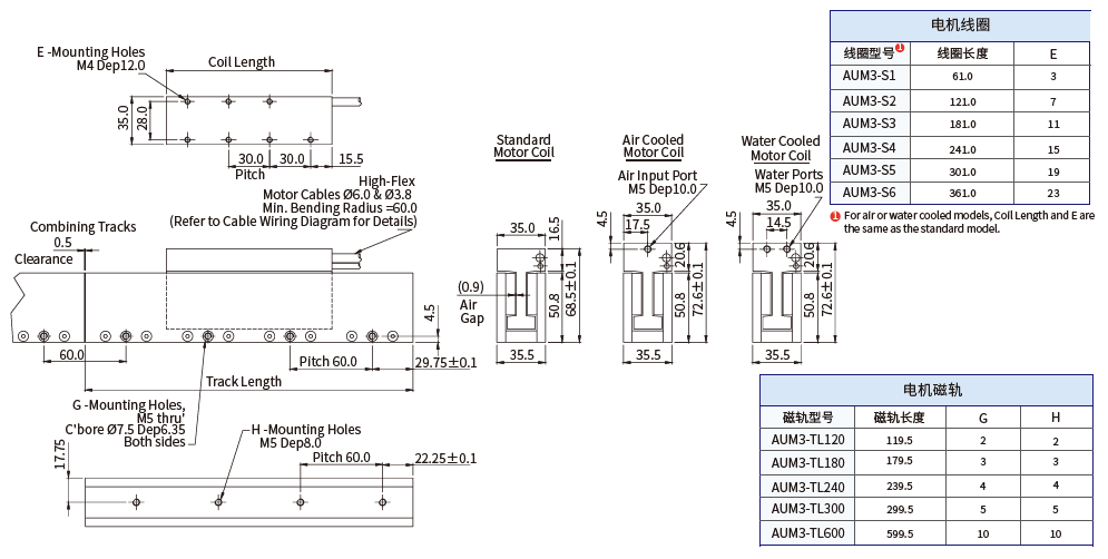
AUM3

电机线圈线圈长度(mm)持续推力(N)峰值推力(N)
AUM3-S161.028/34/37144
AUM3-S2121.057/68/73289
AUM3-S3181.085/102/110433
AUM3-S4241.0113/136/147578
AUM3-S5301.0141/170/184722
AUM3-S6361.0170/203/220867

 

注:

1.持续推力中自然冷却的持续推力在前,气冷的在中,水冷的在后;

 

电机磁轨磁轨长度(mm)
AUM3-TL120119.5
AUM3-TL180179.5
AUM3-TL240239.5
AUM3-TL300299.5
AUM3-TL600599.5

 

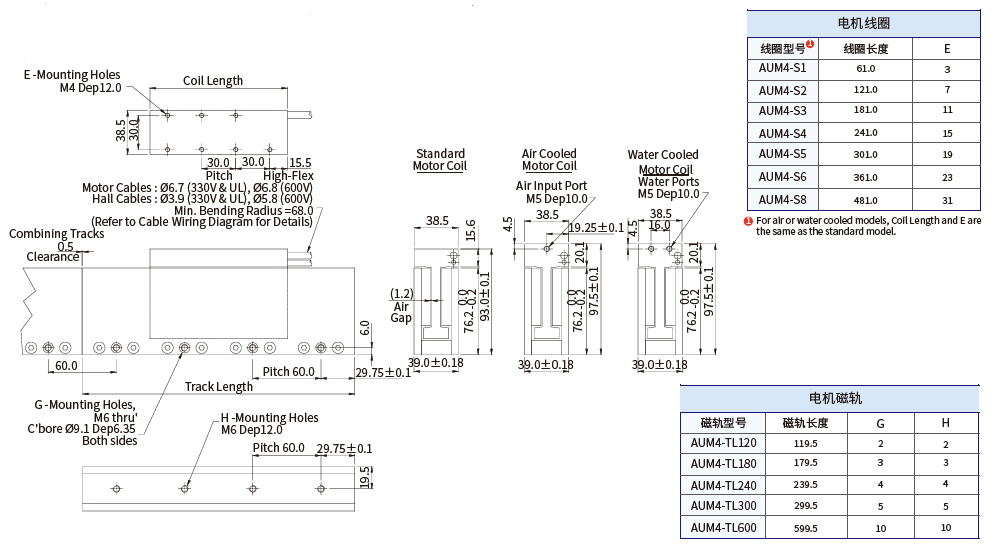
AUM4

电机线圈线圈长度(mm)持续推力(N)峰值推力(N)
AUM4-S161.055/66/72312
AUM4-S2121.0110/132/144624
AUM4-S3181.0166/199/215936
AUM4-S4241.0221/265/2871248
AUM4-S5301.0276/331/3591560
AUM4-S6361.0331/397/4311872
AUM4-S8481.0442/530/5742496

注:

1.持续推力中自然冷却的持续推力在前,气冷的在中,水冷的在后;

 

电机磁轨磁轨长度(mm)
AUM4-TL120119.5
AUM4-TL180179.5
AUM4-TL240239.5
AUM4-TL300299.5
AUM4-TL600599.5

 

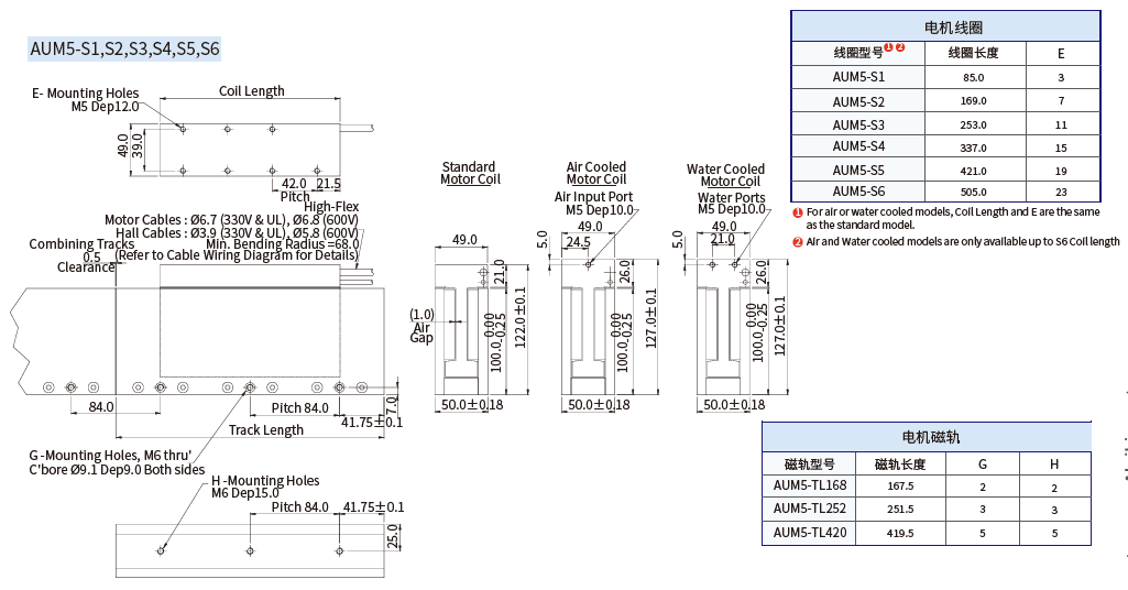
AUM5

电机线圈线圈长度(mm)持续推力(N)峰值推力(N)
AUM5-S185.098/118/128707
AUM5-S2169.0197/236/2551415
AUM5-S3253.0295/354/3832122
AUM5-S4337.0393/472/5112830
AUM5-S5421.0491/590/6393537
AUM5-S6505.0590/707/7664244
AUM5-P5-S8-V107673.0786/-/-5659
AUM5-P7-S9-V80757.0884/-/-6367
AUM5-P5-S10-V107841.0983/-/-7078
AUM5-P5-S12-V1071009.01179/-/-8489

注:

1.持续推力中自然冷却的持续推力在前,气冷的在中,水冷的在后;

 

电机磁轨磁轨长度(mm)
AUM5-TL168167.5
AUM5-TL252251.5
AUM5-TL420419.5

 

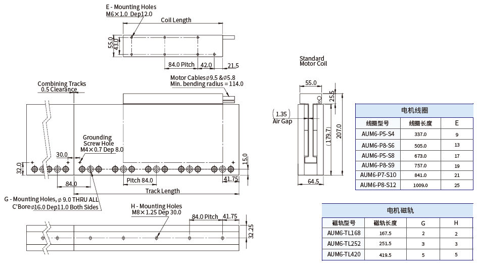
AUM6

 

电机线圈线圈长度(mm)持续推力(N)峰值推力(N)
AUM6-P5-S4337.07805400
AUM6-P8-S6505.011708100
AUM6-P5-S8673.0156010800
AUM6-P8-S9757.0175512150
AUM6-P7-S10841.0195013500
AUM6-P8-S121009.0234016200

注:

1.持续推力中自然冷却的持续推力在前,气冷的在中,水冷的在后;

 

电机磁轨磁轨长度(mm)
AUM6-TL168167.5
AUM6-TL252251.5
AUM6-TL420419.5


AUM1

image.png


AUM2

image.png


AUM3

image.png


AUM4

image.png


AUM5

image.png

image.png

image.png

image.png


AUM6

image.png




相关产品
AJM系列
相关产品
AQM系列
相关产品
AKM系列
相关产品
ALM 系列
在线留言
如果您有任何的建议或意见
请联系我们
cust-service@akribis-sys.cn
+86 21 58595800
留言