产品中心
AER-F 系列
外转子永磁同步电机,比内转子电机拥有更大的扭矩,适用于CNC转台应用。
  • 产品介绍
  • 规格参数
  • 尺寸图
  • 订购信息

设计特点

A. 外转子永磁同步电机

B. 水冷电机

C. 低速高转矩

D. 适用于CNC转台应用



 

电机规格外径高度中孔最大速度@峰值转矩重复定位精度转子惯量
(mm)(mm)(mm)(rpm)(arc sec)(kgm2)

AER225-F-060

225

115

68

700

-

8.20E-02

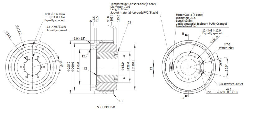
AER225-F-160

225

201.5

68

250

-

1.50E-01

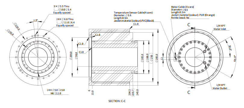
AER285-F-180

285

230

136

150

-

3.90E-01

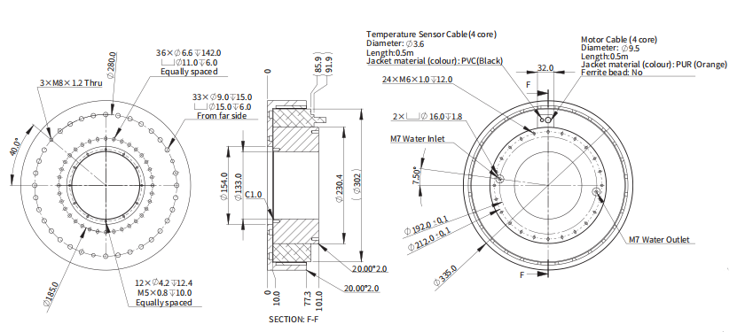
AER335-F-055

335

101

133

250

-

1.50E-01


AER225-F-060

image.png


AER225-F-160

image.png


AER285-F-180

image.png


AER335-F-055

image.png

image.png

相关产品
ADR-A系列
相关产品
ADR-B系列
相关产品
ADR-F系列
相关产品
AXD系列
相关产品
ACD-P系列
在线留言
如果您有任何的建议或意见
请联系我们
cust-service@akribis-sys.cn
+86 21 58595800
留言