产品中心
XCV系列
XCV系列采用Akribis音圈电机,具有高精度以及高频率的特点。适用于中载,高频高精度的应用。适用于亚微级定位,取放,力控制。
下载附件:
技术参数
  • 产品介绍
  • 规格参数
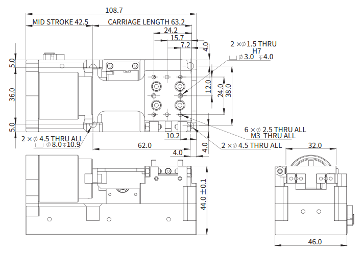
  • 尺寸图
  • 订购信息

设计特点:

A. 音圈电机直接驱动直线机械平台

B. 无嵌齿效应,无背隙

C. 高重复精度

E. 适用于短行程、高速、高加速应用

F. 采用交叉滚柱导轨,高刚性

G. 优化动态性能


参数规格单位XCV30
电机型号-AVM30-HF-4
持续推力(自冷) @100?C①②N7.27
峰值推力N46.1
力常数 ±10%②N/A11.5
反电势常数 ±10%②V/(m/s)11.5
电阻 @25?C ±10%③Ω8.0
电感 ±20%④mH1.40
持续电流(自冷) @100?C①A0.6
峰值电流A4.0
最高电压Vdc60
参数规格单位XCV30
精度等级-PN
行程mm4
分辨率μmSINCOS/0.050.2
重复定位精度μm±0.2±0.5
水平直线度μm±0.5
垂直直线度μm±0.5
空载运动质量kg0.065
空载总质量kg0.467
最大静态力矩Nm8.8

注:

①测量环境温度为25°C,数值取决于热环境。 

行程中点处的值。

电阻测量采用直流电流,含0.5米标准线缆。 

电电感测量频率1kHZ。

相关参数规格如有变动,恕不另行通知。




 image.png                                

image.png                                                        

相关产品
XRV系列
相关产品
MBV系列
在线留言
如果您有任何的建议或意见
请联系我们
cust-service@akribis-sys.cn
+86 21 58595800
留言