产品中心
XYT晶圆测试平台
XY中空设计,Class100 XY十字叠加结构,内置直线电机及高精度交叉滚柱导轨 XY集成高精度光栅尺,重复定位精度±0.5um,绝对定位精度2um T轴为高精度力矩电机,轴向/径向端跳<3um,360度旋转
  • 产品介绍
  • 规格参数
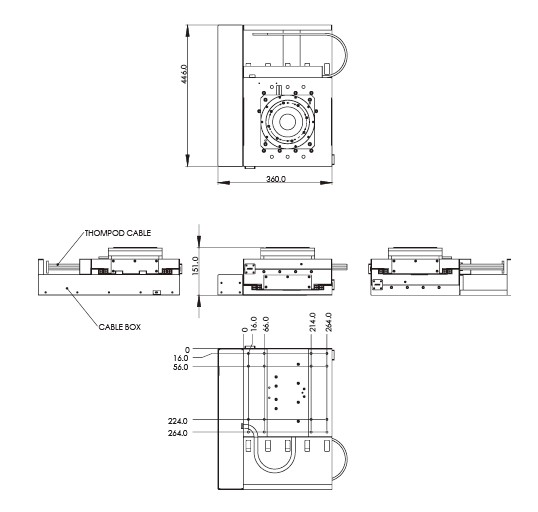
  • 尺寸图
  • 订购信息

产品特性:

XY中空设计,Class100

XY十字叠加结构,内置直线电机及高精度交叉滚柱导轨

XY集成高精度光栅尺,重复定位精度±0.5um,绝对定位精度2um

T轴为高精度力矩电机,轴向/径向端跳<3um,360度旋转

典型应用领域:4/6/8寸晶圆检测/测试


*如需详细参数,请联系雅科贝思销售工程师(邮箱:cust-service@akribis-sys.cn)

P72 XYT晶圆测试平台 尺寸图 BTS407.jpg

相关产品
XYZ双驱龙门平台
相关产品
XYZ 晶圆检测平台
相关产品
XYZ 激光打标平台
在线留言
如果您有任何的建议或意见
请联系我们
cust-service@akribis-sys.cn
+86 21 58595800
留言