产品中心
AML90B
AML90B系列微型模组由微型直线电机、微型防蠕动交叉滚子导轨、编码器位置反馈以及结构底座组成,内部结构紧凑,是高精定位运动台。
下载附件:
技术参数
  • 产品介绍
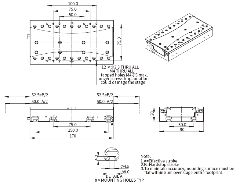
  • 规格参数
  • 尺寸图
  • 订购信息

设计特点

A. 紧凑型设计

B. 防蠕动交叉滚子导轨

C. 直驱技术

D. 高精度光学编码器

E. 可叠加使用


电机参数单位AML90B-25AML90B-50AML90B-100
电机型号-CLA0010-025CLA0010-025CLA0010-025
持续推力@100°C①N17.117.117.1
峰值推力N51.351.351.3
力常数 ±10%N/Arms8.68.68.6
反电势常数 ±10%Vpeak/(m/s)7.07.07.0
相间电阻 @25°C ±10%Ω5.25.25.2
相间电感 ±30%mH1.81.81.8
持续电流(自冷) @100°C①Arms2.02.02.0
峰值电流Arms6.06.06.0
最高电压Vdc48.048.048.0
机械参数单位AML90B-25AML90B-50AML90B-100
行程mm25
50
100
分辨率μm0.050.20.050.20.050.2
重复定位精度μm±0.5
±0.5
±0.5
水平直线度μm±2.0±2.0±3.0
垂直直线度μm±2.0±2.0±3.0
额定负载kg3.04.06.0
空载运动质量kg0.30.50.7
空载总质量kg0.70.91.4
最大容许侧倾力矩Nm1.21.62.4
最大容许俯仰力矩Nm0.81.63.7
最大容许横摆力矩Nm0.81.63.7

注:

1 测量环境温度为26°C,数值取决于热环境。 

2 电阻测量采用直流电流,含0.5米标准线缆。 

3 电感是通过1kHZ的电流频率来测量的。 

4 在无悬臂的情况下,模组的负载能力。 

相关参数规格如有变动,恕不另行通知。


AML90B-25

image.png


AML90B-50

image.png


AML90B-100

image.png


image.png

相关产品
AMZ
相关产品
XRG
相关产品
LML70
在线留言
如果您有任何的建议或意见
请联系我们
cust-service@akribis-sys.cn
+86 21 58595800
留言