产品中心
TGV系列
TGV系列(通孔音圈交叉滚子导轨模组)采用Akribis 通孔音圈电机系统,具有具有高响音和高带宽的特点,适用于短程高频的应用。
下载附件:
技术参数
  • 产品介绍
  • 规格参数
  • 尺寸图
  • 订购信息

设计特点:

A. 贯通型中孔

B. 低摩擦

C. 高精度












参数规格单位TGV50TGV75TGV90TGV130
电机型号-AVM50-HF-10-C15AVM75-HF-25AVM90-30-C77AVM130-HF-10
持续推力(自冷) @100?C①②N25.2127.9057.3150.75
峰值推力②N105590.10202.6452.3
力常数 ±10%②N/A21.034.614.3322.8
反电势常数 ±10%②V/(m/s)21.034.614.3322.8
电阻 @25?C ±10%③Ω8.752.832.640.75
电感 ±20%④mH4.932.764.090.75
持续电流(自冷) @100?C①A1.23.74.06.6
峰值电流A5.017.014.019.8
最高电压Vdc6060120120
机械参数单位TGV50TGV75TGV90TGV130
精度等级-PNPNPNPN
行程⑤mm10253010
分辨率μmSINCOS/0.050.2SINCOS/0.050.2SINCOS/0.050.2SINCOS/0.050.2
重复定位精度μm±0.5±1.0±0.5±1.0±0.5±1.0±0.5±1.0
水平直线度μm±2.5±2.5±2.5±2.5
垂直直线度μm±2.5±2.5±2.5±2.5
额定负载⑥kg3.08.06.015.0
空载运动质量kg0.261.111.412.35
空载总质量kg1.213.853.7610.1
最大静态力矩Nm6.814.421.170.9

注:

①测量室温25?C,取决于散热环境。 

行程中点处的值。

电阻测量采用直流电流,含0.5米标准导线。。

电感测量频率1kHz。

行程的定义根据防撞块至防撞块,即机械行程。限位传感器的位置距离防撞块0.5mm。

在此负载下,平台可以提供不少于1G的加速度

相关参数规格如有变动,恕不另行通知。 


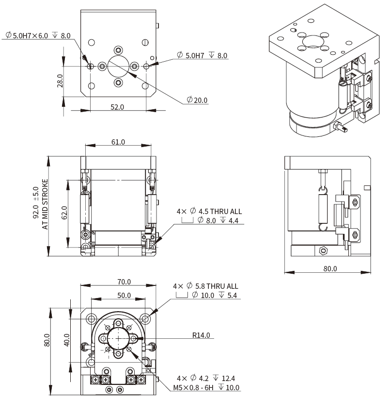
TGV50


image.png


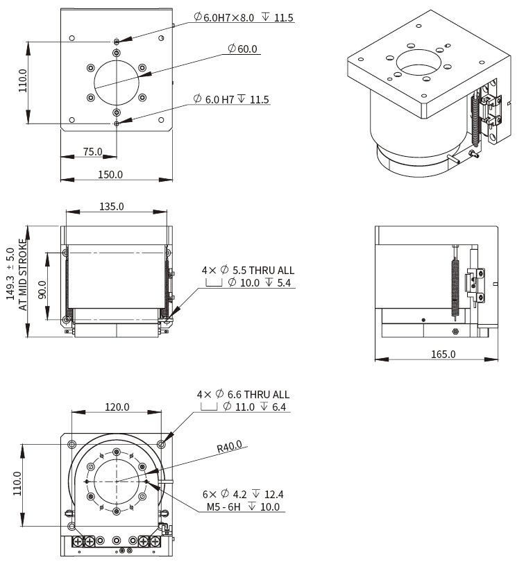
TGV75


image.png


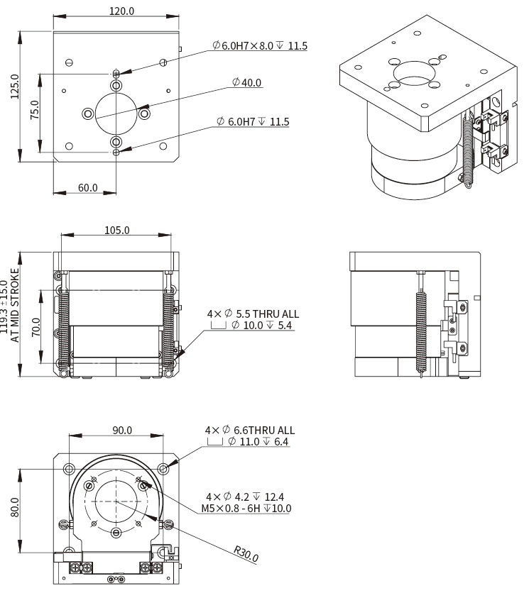
TGV90


image.png


TGV130          


image.png


                   

image.png


   image.png                            

相关产品
XMGV系列
相关产品
MBV系列
相关产品
XCV系列
在线留言
如果您有任何的建议或意见
请联系我们
cust-service@akribis-sys.cn
+86 21 58595800
留言