产品中心
AMR
微型直驱旋转定位平台, 可灵活组合,搭配AMS或AML叠加成XT或XYT平台
下载附件:
技术参数
  • 产品介绍
  • 规格参数
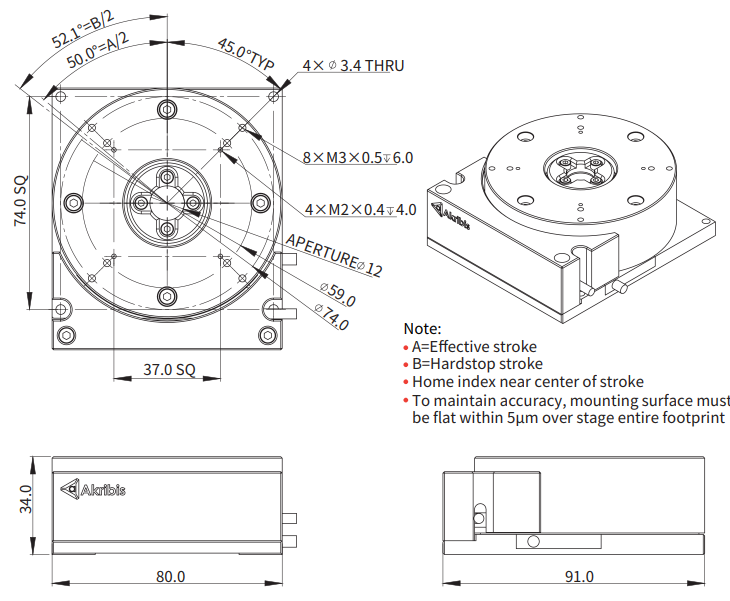
  • 尺寸图
  • 订购信息

设计特点

A. 紧凑型设计

B. 直驱技术

C. 无齿槽扭矩

D. 高精度光学编码器

E. 可叠加使用


典型应用领域:适用于高精度旋转校正定位、光学对位平台。

电机参数单位AMR65AMR80
电机型号-AMR65D-50AMR80D-100
持续转矩(自冷) @100°C①Nm0.130.2
峰值转矩Nm0.510.79
转矩常数 ±10%Nm/Arms0.120.2
反电势常数 ±10%Vpeak/rpm1.00E-021.69E-02
相间电阻 @25°C ±10%②Ω89.3
相间电感 ±20%③mH0.751
持续电流(自冷) @100°C①Arms1.11
峰值电流Arms4.44
最高母线电压Vdc4848
极数-1616
机械参数单位AMR65AMR80
精度等级-PNPN
有效行程degree50100
分辨率μmSINCOS/0.050.2SINCOS/0.050.2
重复定位精度arc sec±0.5±0.5±0.5±0.5
最大转速degree/s720720
转子惯量kg·m20.000140.00016
空载总质量kg0.521.1
最大静态轴向负载N3060
最大静态力矩Nm0.842.0

注:

①测量环境温度为25℃,数值取决于热环境。NC=自然冷却,AC=风冷,WC=水冷。  

电阻测量采用直流电流,含0.5米标准线缆。 

电感是通过1kHZ的电流频率来测量的。 

相关参数规格如有变动,恕不另行通知。


AMR65-50

image.png

AMR80-100

image.png

image.png                                

相关产品
AML90B
相关产品
AFC90SMZ
在线留言
如果您有任何的建议或意见
请联系我们
cust-service@akribis-sys.cn
+86 21 58595800
留言