设计特点:
A.轻薄设计,高推力密度
B.无齿槽力,运行平稳
C.高动态响应
D.可选霍尔模块
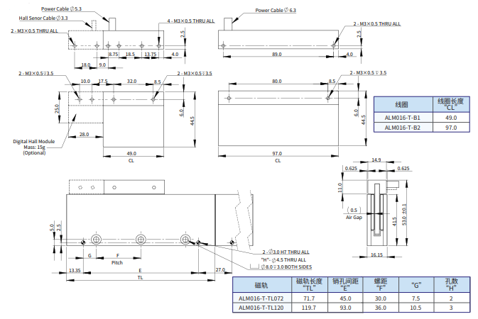
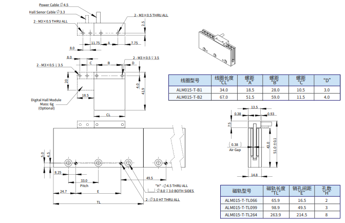
电机线圈 | 线圈长度 (mm) | 持续推力 (N) @100℃ | 峰值推力 (N) |
ALM015-T-B1 | 34.0 | 10.0 | 36.0 |
ALM015-T-B2 | 67.0 | 20.0 | 72.0 |
电机磁轨 | 磁轨长度 (mm) |
ALM015-T-TL066 | 066 |
ALM015-T-TL099 | 099 |
ALM015-T-TL264 | 264 |
电机线圈 | 线圈长度 (mm) | 持续推力 (N) @100℃ | 峰值推力 (N) |
ALM016-T-B1 | 49.0 | 19.5 | 42.5 |
ALM016-T-B2 | 97.0 | 39.0 | 85.0 |
电机磁轨 | 磁轨长度 (mm) |
ALM016-T-TL072 | 072 |
ALM016-T-TL120 | 120 |