销售热线
技术热线:0576-85183757
销售电话:0576-85182037
技术电话:0576-85183757
传真号码:0576-85182843
联系邮箱:haihong@cn-hydraulic.com
公司地址:浙江省临海市江南街道金岭路199号
产品特点
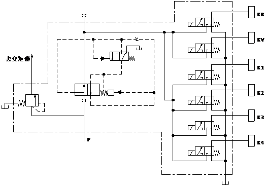
控制方式:电控;
内置调压阀和缓冲阀;换档时,离合器油缸的升压过程是平稳、柔和的两级特性,减少了冲击和磨损;
电磁阀可任意组合,通用性好,结构简单,集成化程度高。
应用领域
平地机、装载机、推土机和矿山机械变速箱系统等工程机械变速箱系统。
液压原理图
技术参数(对超出下述参数的应用场合,请与我公司联系)
|
概述 |
|
|
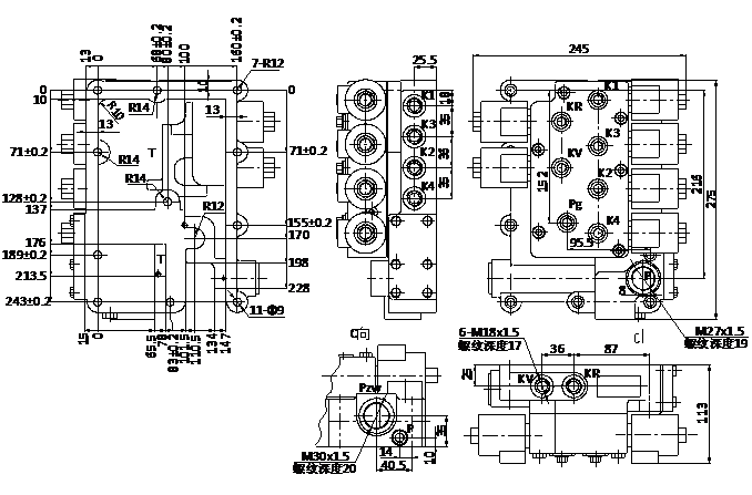
安装方式 |
见外形图 |
|
安装螺栓扭矩 N.m |
22~39 |
|
重量 |
24.7 |
|
液压 |
|
|
公称流量 L/min |
120 |
|
档位压力bar |
16~20 |
|
各档位压差 bar |
≤1 |
|
压力振摆 bar |
≤±0.5 |
|
额定电压 V |
DC24 |
|
额定电流 A |
0.83(在额定电压、25℃温度下测定) |
|
允许电压波动范围 |
±15%UR |
|
液压油温度范围℃ |
-20~+120 |
|
粘度范围m2/s |
10~380 |
|
油液允许的污染等级 |
-/19/16 (ISO4406:1999) |
产品外形图
相关产品
销售热线:0576-85182037
友情链接: 多路阀系列 先导阀系列 制动阀系列 操纵阀系列 农机阀系列 转向阀系列 Sitemap TXT Sitemap XML 网站地图

微信官网

手机官网